0519-88372558
| 基本性能 | |
| 项目 | 性能 |
| 步距角 | 1.8° |
| 温升 | 80℃max |
| 环境温度 | -20℃~+50℃ |
| 绝缘电阻 | 100 MΩ Min. ,500VDC |
| 电气强度 | 500VAC for 1minute |
| 径向间隙 | 0.02Max. (450g-load) |
| 轴向间隙 | 0.08Max. (450g-load) |
| 最大径向压力 | 28N (20mm from the flange) |
| 最大轴向压力 | 10N |
| 步进电机参数 | ||
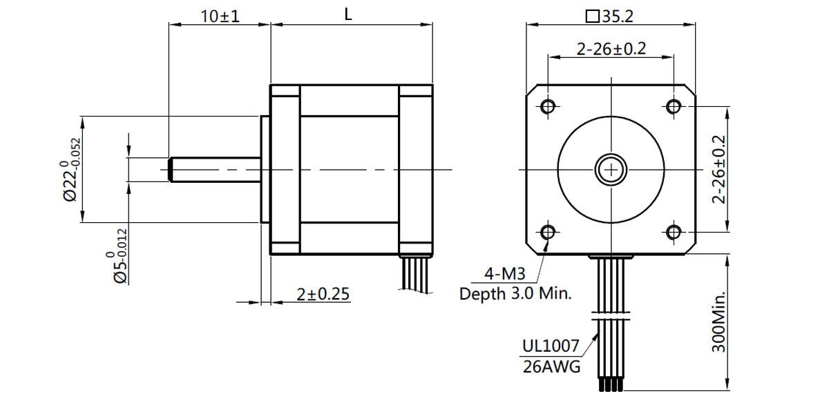
| 型号 | / | JK35HS34-1004 |
相数 | / | 2 |
| 步距角 | ° | 1.8 |
| 机身长度 | mm | 34 |
| 电流 | A | 1.0 |
| 电阻 | Ω | 2.7 |
| 电感 | mH | 4.3 |
| 静转矩 | g.cm | 1400 |
| 引线数 | No. | 4 |
| 转子惯量 | g.cm² | 213 |
| 重量 | kg | 0.17 |
| 电机轴 | / | 圆轴 |
| 适配驱动 | / | JKDM420 / JK-0220 |
| 可选配件 | / | 接插件、齿轮箱、编码器、刹车、一体机 |
| 基本性能 | |
| 项目 | 性能 |
| 步距角 | 1.8° |
| 温升 | 80℃max |
| 环境温度 | -20℃~+50℃ |
| 绝缘电阻 | 100 MΩ Min. ,500VDC |
| 电气强度 | 500VAC for 1minute |
| 径向间隙 | 0.02Max. (450g-load) |
| 轴向间隙 | 0.08Max. (450g-load) |
| 最大径向压力 | 28N (20mm from the flange) |
| 最大轴向压力 | 10N |
| 步进电机参数 | ||
| 型号 | / | JK35HS34-1004 |
相数 | / | 2 |
| 步距角 | ° | 1.8 |
| 机身长度 | mm | 34 |
| 电流 | A | 1.0 |
| 电阻 | Ω | 2.7 |
| 电感 | mH | 4.3 |
| 静转矩 | g.cm | 1400 |
| 引线数 | No. | 4 |
| 转子惯量 | g.cm² | 213 |
| 重量 | kg | 0.17 |
| 电机轴 | / | 圆轴 |
| 适配驱动 | / | JKDM420 / JK-0220 |
| 可选配件 | / | 接插件、齿轮箱、编码器、刹车、一体机 |
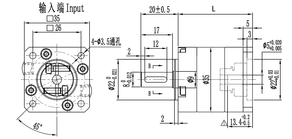
| 型号 | / | JK-HPR35-L1 | ||||
| 减速比 | / | 3 | 4 | 5 | 6 | 7 |
| 减速级数 | / | 1 | ||||
| 减速箱长度 | mm | 60 | ||||
| 额定扭矩 | N.m | 6 | 7 | 6.5 | 5 | 5 |
| 故障停止扭矩 | N.m | 12 | 14 | 13 | 10 | 10 |
| 回程间隙 | arcmin | ≤15 arcmin | ||||
| 满载 | % | 96% | ||||
| 适配电机尺寸 | mm | Φ5-10 / Φ22-2 / F26-M3 | ||||
| 额定输入速度 | Rpm | 1000 | ||||
| 最大输入速度 | Rpm | 2000 | ||||
平均寿命 | h | 20000 | ||||
| 轴向力 | N | 100 | ||||
| 径向力 | N | 270 | ||||
| 噪音值 | dB | ≤55 | ||||
| 防护等级 | IP | IP54 | ||||
| 工作温度 | ℃ | -20 to +150 | ||||
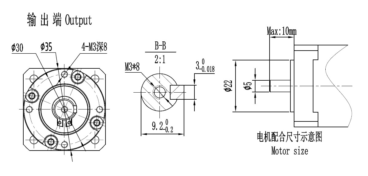
| 输出轴键标准 | / | 键槽 | ||||
| 型号 | / | JK-HPR35-L2 | ||||||||||
| 减速比 | / | 9 | 15 | 20 | 25 | 30 | 35 | 42 | ||||
| 减速级数 | / | 2 | ||||||||||
| 减速箱长度 | mm | 69.5 | ||||||||||
| 额定扭矩 | N.m | 8 | 9 | 8.5 | 8.5 | 7 | 7 | 7 | ||||
| 故障停止扭矩 | N.m | 16 | 18 | 17 | 17 | 14 | 14 | 14 | ||||
| 回程间隙 | arcmin | ≤25 arcmin | ||||||||||
| 满载效率 | % | 94% | ||||||||||
| 适配电机尺寸 | mm | Φ5-10 / Φ22-2 / F26-M3 | ||||||||||
| 额定输入速度 | Rpm | 1000 | ||||||||||
| 最大输入速度 | Rpm | 2000 | ||||||||||
| 平均寿命 | h | 20000 | ||||||||||
| 轴向力 | N | 100 | ||||||||||
| 径向力 | N | 270 | ||||||||||
| 噪音值 | dB | ≤55 | ||||||||||
| 防护等级 | IP | IP54 | ||||||||||
| 工作温度 | ℃ | -20 to +150 | ||||||||||
| 输出轴键标准 | / | 键槽 | ||||||||||
| 型号 | / | JK-HPR35-L3 | ||||||
| 减速比 | / | 45 | 100 | 120 | 140 | 150 | 175 | 210 |
| 减速级数 | / | 3 | ||||||
| 减速箱长度 | mm | 79 | ||||||
| 额定扭矩 | N.m | 10 | 9 | 9 | 9 | 8.5 | 8.5 | 8.5 |
| 故障停止扭矩 | N.m | 20 | 18 | 18 | 18 | 17 | 17 | 17 |
| 回程间隙 | arcmin | ≤25 arcmin | ||||||
| 满载效率 | % | 90% | ||||||
| 适配电机尺寸 | mm | Φ5-10 / Φ22-2 / F26-M3 | ||||||
| 额定输入速度 | Rpm | 1000 | ||||||
| 最大输入速度 | Rpm | 2000 | ||||||
| 平均寿命 | h | 20000 | ||||||
| 轴向力 | N | 100 | ||||||
| 径向力 | N | 270 | ||||||
| 噪音值 | dB | ≤55 | ||||||
| 防护等级 | IP | IP54 | ||||||
| 工作温度 | ℃ | -20 to +150 | ||||||
| 输出轴键标准 | / | 键槽 | ||||||
| 型号 | / | JK-HPR35-L1 | ||||
| 减速比 | / | 3 | 4 | 5 | 6 | 7 |
| 减速级数 | / | 1 | ||||
| 减速箱长度 | mm | 60 | ||||
| 额定扭矩 | N.m | 6 | 7 | 6.5 | 5 | 5 |
| 故障停止扭矩 | N.m | 12 | 14 | 13 | 10 | 10 |
| 回程间隙 | arcmin | ≤15 arcmin | ||||
| 满载 | % | 96% | ||||
| 适配电机尺寸 | mm | Φ5-10 / Φ22-2 / F26-M3 | ||||
| 额定输入速度 | Rpm | 1000 | ||||
| 最大输入速度 | Rpm | 2000 | ||||
平均寿命 | h | 20000 | ||||
| 轴向力 | N | 100 | ||||
| 径向力 | N | 270 | ||||
| 噪音值 | dB | ≤55 | ||||
| 防护等级 | IP | IP54 | ||||
| 工作温度 | ℃ | -20 to +150 | ||||
| 输出轴键标准 | / | 键槽 | ||||
| 型号 | / | JK-HPR35-L2 | ||||||||||
| 减速比 | / | 9 | 15 | 20 | 25 | 30 | 35 | 42 | ||||
| 减速级数 | / | 2 | ||||||||||
| 减速箱长度 | mm | 69.5 | ||||||||||
| 额定扭矩 | N.m | 8 | 9 | 8.5 | 8.5 | 7 | 7 | 7 | ||||
| 故障停止扭矩 | N.m | 16 | 18 | 17 | 17 | 14 | 14 | 14 | ||||
| 回程间隙 | arcmin | ≤25 arcmin | ||||||||||
| 满载效率 | % | 94% | ||||||||||
| 适配电机尺寸 | mm | Φ5-10 / Φ22-2 / F26-M3 | ||||||||||
| 额定输入速度 | Rpm | 1000 | ||||||||||
| 最大输入速度 | Rpm | 2000 | ||||||||||
| 平均寿命 | h | 20000 | ||||||||||
| 轴向力 | N | 100 | ||||||||||
| 径向力 | N | 270 | ||||||||||
| 噪音值 | dB | ≤55 | ||||||||||
| 防护等级 | IP | IP54 | ||||||||||
| 工作温度 | ℃ | -20 to +150 | ||||||||||
| 输出轴键标准 | / | 键槽 | ||||||||||
| 型号 | / | JK-HPR35-L3 | ||||||
| 减速比 | / | 45 | 100 | 120 | 140 | 150 | 175 | 210 |
| 减速级数 | / | 3 | ||||||
| 减速箱长度 | mm | 79 | ||||||
| 额定扭矩 | N.m | 10 | 9 | 9 | 9 | 8.5 | 8.5 | 8.5 |
| 故障停止扭矩 | N.m | 20 | 18 | 18 | 18 | 17 | 17 | 17 |
| 回程间隙 | arcmin | ≤25 arcmin | ||||||
| 满载效率 | % | 90% | ||||||
| 适配电机尺寸 | mm | Φ5-10 / Φ22-2 / F26-M3 | ||||||
| 额定输入速度 | Rpm | 1000 | ||||||
| 最大输入速度 | Rpm | 2000 | ||||||
| 平均寿命 | h | 20000 | ||||||
| 轴向力 | N | 100 | ||||||
| 径向力 | N | 270 | ||||||
| 噪音值 | dB | ≤55 | ||||||
| 防护等级 | IP | IP54 | ||||||
| 工作温度 | ℃ | -20 to +150 | ||||||
| 输出轴键标准 | / | 键槽 | ||||||






选配:接插件、齿轮箱/减速箱、编码器、刹车、一体机。
金属带轮
塑料带轮
齿轮
轴销
螺纹轴
通孔
轴销
螺纹轴
通孔
单扁丝
双扁丝
键槽
电机配线
电机端盖
轴
丝杆
编码器
刹车
齿轮箱
驱控套装
集成一体机
更多定制要求
选配:接插件、齿轮箱/减速箱、编码器、刹车、一体机。
金属带轮
塑料带轮
齿轮
轴销
螺纹轴
通孔
轴销
螺纹轴
通孔
单扁丝
双扁丝
键槽
电机配线
电机端盖
轴
丝杆
编码器
刹车
齿轮箱
驱控套装
集成一体机
更多定制要求
地址:江苏省常州市武进区湖塘镇湖塘科技产业园工业坊A2栋西侧
电话:0519-88372558
手机/微信:18761150726
电子邮件:sales@jkongmotor.com