0519-88372558
| 基本性能 | |
| 项目 | 性能 |
| 步距角 | 1.8° |
| 温升 | 80℃max |
| 环境温度 | -20℃~+50℃ |
| 绝缘电阻 | 100 MΩ Min. ,500VDC |
| 电气强度 | 500VAC for 1minute |
| 径向间隙 | 0.02Max. (450g-load) |
| 轴向间隙 | 0.08Max. (450g-load) |
| 最大径向压力 | 75N (20mm from the flange) |
| 最大轴向压力 | 15N |
| 步进电机参数 | ||
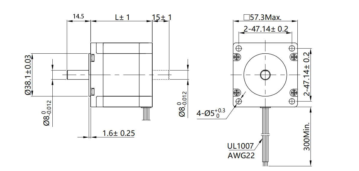
| 型号 | / | JK57HS112-3004 |
相数 | / | 2 |
| 步距角 | ° | 1.8 |
| 机身长度 | mm | 112 |
| 电流 | A | 3.0 |
| 电阻 | Ω | 1.6 |
| 电感 | mH | 7.5 |
| 静转矩 | N.m | 3.0 |
| 引线数 | No. | 4 |
| 转子惯量 | g.cm² | 800 |
| 重量 | kg | 1.4 |
| 电机轴 | / | 圆轴 |
| 适配驱动 | / | JKDM542 / JKD5056S |
| 可选配件 | / | 接插件、齿轮箱、编码器、刹车、一体机 |
| 基本性能 | |
| 项目 | 性能 |
| 步距角 | 1.8° |
| 温升 | 80℃max |
| 环境温度 | -20℃~+50℃ |
| 绝缘电阻 | 100 MΩ Min. ,500VDC |
| 电气强度 | 500VAC for 1minute |
| 径向间隙 | 0.02Max. (450g-load) |
| 轴向间隙 | 0.08Max. (450g-load) |
| 最大径向压力 | 75N (20mm from the flange) |
| 最大轴向压力 | 15N |
| 步进电机参数 | ||
| 型号 | / | JK57HS112-3004 |
相数 | / | 2 |
| 步距角 | ° | 1.8 |
| 机身长度 | mm | 112 |
| 电流 | A | 3.0 |
| 电阻 | Ω | 1.6 |
| 电感 | mH | 7.5 |
| 静转矩 | N.m | 3.0 |
| 引线数 | No. | 4 |
| 转子惯量 | g.cm² | 800 |
| 重量 | kg | 1.4 |
| 电机轴 | / | 圆轴 |
| 适配驱动 | / | JKDM542 / JKD5056S |
| 可选配件 | / | 接插件、齿轮箱、编码器、刹车、一体机 |
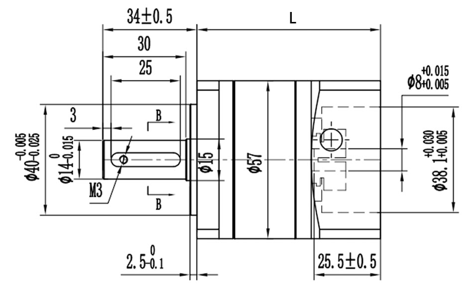
| 型号 | / | JK-FLF57-L1 | JK-FLF57-L2 | ||||
| 减速比 | / | 4 | 5 | 10 | 20 | 25 | 50 |
| 减速级数 | / | 1 | 2 | ||||
| 减速箱长度 | mm | 89.5 | 102 | ||||
| 额定扭矩 | N.m | 25 | 25 | 10 | 25 | 25 | 20 |
| 故障停止扭矩 | N.m | 50 | 50 | 20 | 50 | 50 | 40 |
| 回程间隙 | arcmin | ≤30 arcmin | ≤45 arcmin | ||||
| 满载效率 | % | 90 | 80 | ||||
| 适配电机尺寸 | mm | Φ8-14 / Φ38.1-2 / F47.4-M4 or Φ6.35-14 / Φ38.1-2 / F47.4-M4 | Φ8-14 / Φ38.1-2 / F47.4-M4 or Φ6.35-14 / Φ38.1-2 / F47.4-M4 | ||||
| 额定输入速度 | Rpm | 1000 | 1000 | ||||
| 最大输入速度 | Rpm | 2000 | 2000 | ||||
| 平均寿命 | h | 20000 | 20000 | ||||
| 轴向力 | N | 100 | 200 | ||||
| 径向力 | N | 300 | 400 | ||||
| 噪音值 | dB | ≤55 | ≤55 | ||||
| 防护等级 | IP | IP54 | IP54 | ||||
| 工作温度 | ℃ | -20 to +150 | -20 to +150 | ||||
| 输出轴键标准 | / | 键槽 | 键槽 | ||||
| 型号 | / | JK-FLF57-L1SW | JK-FLF57-L2SW | ||||
| 减速比 | / | 4 | 5 | 10 | 20 | 25 | 50 |
| 减速级数 | / | 1 | 2 | ||||
| 减速箱长度 | mm | 100.3 | 112.8 | ||||
| 额定扭矩 | N.m | 25 | 25 | 10 | 25 | 25 | 20 |
| 故障停止扭矩 | N.m | 50 | 50 | 20 | 50 | 50 | 40 |
| 回程间隙 | arcmin | ≤30 arcmin | ≤45 arcmin | ||||
| 满载效率 | % | 90 | 80 | ||||
| 适配电机尺寸 | mm | Φ8-22 / Φ38.1-2 / F47.14-M4 or Φ6.35-22 / Φ38.1-2 / F47.14-M4 | Φ8-22 / Φ38.1-2 / F47.14-M4 or Φ6.35-22 / Φ38.1-2 / F47.14-M4 | ||||
| 额定输入速度 | Rpm | 1000 | 1000 | ||||
| 最大输入速度 | Rpm | 2000 | 2000 | ||||
平均寿命 | h | 20000 | 20000 | ||||
| 轴向力 | N | 100 | 100 | ||||
| 径向力 | N | 300 | 300 | ||||
| 噪音值 | dB | ≤55 | ≤55 | ||||
| 防护等级 | IP | IP54 | IP54 | ||||
| 工作温度 | ℃ | -20 to +150 | -20 to +150 | ||||
| 输出轴键标准 | / | 键槽 | 键槽 | ||||
| 型号 | / | JK-FLF57-L1 | JK-FLF57-L2 | ||||
| 减速比 | / | 4 | 5 | 10 | 20 | 25 | 50 |
| 减速级数 | / | 1 | 2 | ||||
| 减速箱长度 | mm | 89.5 | 102 | ||||
| 额定扭矩 | N.m | 25 | 25 | 10 | 25 | 25 | 20 |
| 故障停止扭矩 | N.m | 50 | 50 | 20 | 50 | 50 | 40 |
| 回程间隙 | arcmin | ≤30 arcmin | ≤45 arcmin | ||||
| 满载效率 | % | 90 | 80 | ||||
| 适配电机尺寸 | mm | Φ8-14 / Φ38.1-2 / F47.4-M4 or Φ6.35-14 / Φ38.1-2 / F47.4-M4 | Φ8-14 / Φ38.1-2 / F47.4-M4 or Φ6.35-14 / Φ38.1-2 / F47.4-M4 | ||||
| 额定输入速度 | Rpm | 1000 | 1000 | ||||
| 最大输入速度 | Rpm | 2000 | 2000 | ||||
| 平均寿命 | h | 20000 | 20000 | ||||
| 轴向力 | N | 100 | 200 | ||||
| 径向力 | N | 300 | 400 | ||||
| 噪音值 | dB | ≤55 | ≤55 | ||||
| 防护等级 | IP | IP54 | IP54 | ||||
| 工作温度 | ℃ | -20 to +150 | -20 to +150 | ||||
| 输出轴键标准 | / | 键槽 | 键槽 | ||||
| 型号 | / | JK-FLF57-L1SW | JK-FLF57-L2SW | ||||
| 减速比 | / | 4 | 5 | 10 | 20 | 25 | 50 |
| 减速级数 | / | 1 | 2 | ||||
| 减速箱长度 | mm | 100.3 | 112.8 | ||||
| 额定扭矩 | N.m | 25 | 25 | 10 | 25 | 25 | 20 |
| 故障停止扭矩 | N.m | 50 | 50 | 20 | 50 | 50 | 40 |
| 回程间隙 | arcmin | ≤30 arcmin | ≤45 arcmin | ||||
| 满载效率 | % | 90 | 80 | ||||
| 适配电机尺寸 | mm | Φ8-22 / Φ38.1-2 / F47.14-M4 or Φ6.35-22 / Φ38.1-2 / F47.14-M4 | Φ8-22 / Φ38.1-2 / F47.14-M4 or Φ6.35-22 / Φ38.1-2 / F47.14-M4 | ||||
| 额定输入速度 | Rpm | 1000 | 1000 | ||||
| 最大输入速度 | Rpm | 2000 | 2000 | ||||
平均寿命 | h | 20000 | 20000 | ||||
| 轴向力 | N | 100 | 100 | ||||
| 径向力 | N | 300 | 300 | ||||
| 噪音值 | dB | ≤55 | ≤55 | ||||
| 防护等级 | IP | IP54 | IP54 | ||||
| 工作温度 | ℃ | -20 to +150 | -20 to +150 | ||||
| 输出轴键标准 | / | 键槽 | 键槽 | ||||










选配:接插件、齿轮箱/减速箱、编码器、刹车、一体机。
金属带轮
塑料带轮
齿轮
轴销
螺纹轴
通孔
轴销
螺纹轴
通孔
单扁丝
双扁丝
键槽
电机配线
电机端盖
轴
丝杆
编码器
刹车
齿轮箱
驱控套装
集成一体机
更多定制要求
选配:接插件、齿轮箱/减速箱、编码器、刹车、一体机。
金属带轮
塑料带轮
齿轮
轴销
螺纹轴
通孔
轴销
螺纹轴
通孔
单扁丝
双扁丝
键槽
电机配线
电机端盖
轴
丝杆
编码器
刹车
齿轮箱
驱控套装
集成一体机
更多定制要求
地址:江苏省常州市武进区湖塘镇湖塘科技产业园工业坊A2栋西侧
电话:0519-88372558
手机/微信:18761150726
电子邮件:sales@jkongmotor.com