0519-88372558
| 基本性能 | |
| 项目 | 性能 |
| 步距角 | 1.8° |
| 温升 | 80℃max |
| 环境温度 | -20℃~+50℃ |
| 绝缘电阻 | 100 MΩ Min. ,500VDC |
| 电气强度 | 500VAC for 1minute |
| 径向间隙 | 0.02Max. (450g-load) |
| 轴向间隙 | 0.08Max. (450g-load) |
| 最大径向压力 | 28N (20mm from the flange) |
| 最大轴向压力 | 10N |
| 步进电机参数 | ||
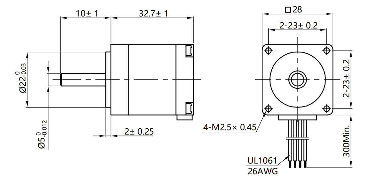
| 型号 | / | JK28HS32-0674 |
| 相数 | / | 2 |
| 步距角 | ° | 1.8 |
| 机身长度 | mm | 32 |
| 电流 | A | 0.67 |
| 电阻 | Ω | 5.6 |
| 电感 | mH | 3.4 |
| 静转矩 | g.cm | 600 |
| 引线数 | No. | 4 |
| 转子惯量 | g.cm² | 9 |
| 重量 | kg | 0.11 |
| 电机轴 | / | 圆轴 |
| 适配驱动 | / | JK0220 / JKDM420 |
| 可选配件 | / | 接插件、齿轮箱、编码器、刹车、一体机 |
| 基本性能 | |
| 项目 | 性能 |
| 步距角 | 1.8° |
| 温升 | 80℃max |
| 环境温度 | -20℃~+50℃ |
| 绝缘电阻 | 100 MΩ Min. ,500VDC |
| 电气强度 | 500VAC for 1minute |
| 径向间隙 | 0.02Max. (450g-load) |
| 轴向间隙 | 0.08Max. (450g-load) |
| 最大径向压力 | 28N (20mm from the flange) |
| 最大轴向压力 | 10N |
| 步进电机参数 | ||
| 型号 | / | JK28HS32-0674 |
| 相数 | / | 2 |
| 步距角 | ° | 1.8 |
| 机身长度 | mm | 32 |
| 电流 | A | 0.67 |
| 电阻 | Ω | 5.6 |
| 电感 | mH | 3.4 |
| 静转矩 | g.cm | 600 |
| 引线数 | No. | 4 |
| 转子惯量 | g.cm² | 9 |
| 重量 | kg | 0.11 |
| 电机轴 | / | 圆轴 |
| 适配驱动 | / | JK0220 / JKDM420 |
| 可选配件 | / | 接插件、齿轮箱、编码器、刹车、一体机 |
| 型号 | / | JK-HPR28-L1 | |||
| 减速比 | / | 4 | 5 | 7 | 10 |
| 减速级数 | / | 1 | |||
| 减速器长度 | mm | 53 | |||
| 额定输出扭矩 | N.m | 2 | 2 | 2 | 1 |
| 故障停止扭矩 | N.m | 4 | 4 | 4 | 2 |
| 回程间隙 | arcmin | ≤15 arcmin | |||
| 满载效率 | % | 96 | |||
| 适配电机尺寸 | mm | Φ5-10 / Φ22-2.5 / F23-M2.5 | |||
| 额定输入速度 | Rpm | 1000 | |||
| 最大输入速度 | Rpm | 2000 | |||
| 平均寿命 | h | 20000 | |||
| 轴向力 | N | 100 | |||
| 径向力 | N | 300 | |||
| 噪音值 | dB | ≤55 | |||
| 防护等级 | IP | IP54 | |||
| 工作温度 | ℃ | -20 to +150 | |||
| 输出轴键标准 | / | D轴 / 出轴扁丝 | |||
| 型号 | / | JK-HPR28-L2 | ||||||||||
| 减速比 | / | 16 | 20 | 25 | 28 | 30 | 35 | 40 | 45 | 50 | 70 | 100 |
| 减速级数 | / | 2 | ||||||||||
| 减速器长度 | mm | 61 | ||||||||||
| 额定输出扭矩 | N.m | 4 | 4 | 4 | 4 | 4 | 4 | 4 | 4 | 3 | 3 | 3 |
| 故障停止扭矩 | N.m | 8 | 8 | 8 | 8 | 8 | 8 | 8 | 8 | 6 | 6 | 6 |
| 回程间隙 | arcmin | ≤20 arcmin | ||||||||||
| 满载效率 | % | 94 | ||||||||||
| 适配电机尺寸 | mm | Φ5-10 / Φ22-2.5 / F23-M2.5 | ||||||||||
| 额定输入速度 | Rpm | 1000 | ||||||||||
| 最大输入速度 | Rpm | 2000 | ||||||||||
| 平均寿命 | h | 20000 | ||||||||||
| 轴向力 | N | 100 | ||||||||||
| 径向力 | N | 300 | ||||||||||
| 噪音值 | dB | ≤55 | ||||||||||
| 防护等级 | IP | IP54 | ||||||||||
| 工作温度 | ℃ | -20 to +150 | ||||||||||
| 输出轴键标准 | / | D轴 / 出轴扁丝 | ||||||||||
| 型号 | / | JK-HPR28-L3 | ||||||
| 减速比 | / | 64 | 80 | 100 | 125 | 140 | 175 | 200 |
| 减速级数 | / | 3 | ||||||
| 减速器长度 | mm | 69 | ||||||
| 额定输出扭矩 | N.m | 6 | 6 | 6 | 6 | 6 | 6 | 6 |
| 故障停止扭矩 | N.m | 12 | 12 | 12 | 12 | 12 | 12 | 12 |
| 回程间隙 | arcmin | ≤25 arcmin | ||||||
| 满载效率 | % | 90 | ||||||
| 适配电机尺寸 | mm | Φ5-10 / Φ22-2.5 / F23-M2.5 | ||||||
| 额定输入速度 | Rpm | 1000 | ||||||
| 最大输入速度 | Rpm | 2000 | ||||||
| 平均寿命 | h | 20000 | ||||||
| 轴向力 | N | 100 | ||||||
| 径向力 | N | 300 | ||||||
| 噪音值 | dB | ≤55 | ||||||
| 防护等级 | IP | IP54 | ||||||
| 工作温度 | ℃ | -20 to +150 | ||||||
| 输出轴键标准 | / | D轴 / 出轴扁丝 | ||||||
| 型号 | / | JK-HPR28-L1 | |||
| 减速比 | / | 4 | 5 | 7 | 10 |
| 减速级数 | / | 1 | |||
| 减速器长度 | mm | 53 | |||
| 额定输出扭矩 | N.m | 2 | 2 | 2 | 1 |
| 故障停止扭矩 | N.m | 4 | 4 | 4 | 2 |
| 回程间隙 | arcmin | ≤15 arcmin | |||
| 满载效率 | % | 96 | |||
| 适配电机尺寸 | mm | Φ5-10 / Φ22-2.5 / F23-M2.5 | |||
| 额定输入速度 | Rpm | 1000 | |||
| 最大输入速度 | Rpm | 2000 | |||
| 平均寿命 | h | 20000 | |||
| 轴向力 | N | 100 | |||
| 径向力 | N | 300 | |||
| 噪音值 | dB | ≤55 | |||
| 防护等级 | IP | IP54 | |||
| 工作温度 | ℃ | -20 to +150 | |||
| 输出轴键标准 | / | D轴 / 出轴扁丝 | |||
| 型号 | / | JK-HPR28-L2 | ||||||||||
| 减速比 | / | 16 | 20 | 25 | 28 | 30 | 35 | 40 | 45 | 50 | 70 | 100 |
| 减速级数 | / | 2 | ||||||||||
| 减速器长度 | mm | 61 | ||||||||||
| 额定输出扭矩 | N.m | 4 | 4 | 4 | 4 | 4 | 4 | 4 | 4 | 3 | 3 | 3 |
| 故障停止扭矩 | N.m | 8 | 8 | 8 | 8 | 8 | 8 | 8 | 8 | 6 | 6 | 6 |
| 回程间隙 | arcmin | ≤20 arcmin | ||||||||||
| 满载效率 | % | 94 | ||||||||||
| 适配电机尺寸 | mm | Φ5-10 / Φ22-2.5 / F23-M2.5 | ||||||||||
| 额定输入速度 | Rpm | 1000 | ||||||||||
| 最大输入速度 | Rpm | 2000 | ||||||||||
| 平均寿命 | h | 20000 | ||||||||||
| 轴向力 | N | 100 | ||||||||||
| 径向力 | N | 300 | ||||||||||
| 噪音值 | dB | ≤55 | ||||||||||
| 防护等级 | IP | IP54 | ||||||||||
| 工作温度 | ℃ | -20 to +150 | ||||||||||
| 输出轴键标准 | / | D轴 / 出轴扁丝 | ||||||||||
| 型号 | / | JK-HPR28-L3 | ||||||
| 减速比 | / | 64 | 80 | 100 | 125 | 140 | 175 | 200 |
| 减速级数 | / | 3 | ||||||
| 减速器长度 | mm | 69 | ||||||
| 额定输出扭矩 | N.m | 6 | 6 | 6 | 6 | 6 | 6 | 6 |
| 故障停止扭矩 | N.m | 12 | 12 | 12 | 12 | 12 | 12 | 12 |
| 回程间隙 | arcmin | ≤25 arcmin | ||||||
| 满载效率 | % | 90 | ||||||
| 适配电机尺寸 | mm | Φ5-10 / Φ22-2.5 / F23-M2.5 | ||||||
| 额定输入速度 | Rpm | 1000 | ||||||
| 最大输入速度 | Rpm | 2000 | ||||||
| 平均寿命 | h | 20000 | ||||||
| 轴向力 | N | 100 | ||||||
| 径向力 | N | 300 | ||||||
| 噪音值 | dB | ≤55 | ||||||
| 防护等级 | IP | IP54 | ||||||
| 工作温度 | ℃ | -20 to +150 | ||||||
| 输出轴键标准 | / | D轴 / 出轴扁丝 | ||||||






选配:接插件、齿轮箱/减速箱、编码器、刹车、一体机。
金属带轮
塑料带轮
齿轮
轴销
螺纹轴
通孔
轴销
螺纹轴
通孔
单扁丝
双扁丝
键槽
电机配线
电机端盖
轴
丝杆
编码器
刹车
齿轮箱
驱控套装
集成一体机
更多定制要求
选配:接插件、齿轮箱/减速箱、编码器、刹车、一体机。
金属带轮
塑料带轮
齿轮
轴销
螺纹轴
通孔
轴销
螺纹轴
通孔
单扁丝
双扁丝
键槽
电机配线
电机端盖
轴
丝杆
编码器
刹车
齿轮箱
驱控套装
集成一体机
更多定制要求
地址:江苏省常州市武进区湖塘镇湖塘科技产业园工业坊A2栋西侧
电话:0519-88372558
手机/微信:18761150726
电子邮件:sales@jkongmotor.com